〒533-0033 大阪府大阪市東淀川区江口 2-6-62

TEL/FAX 06-6328-7654

トップページ剥線機

剥線機

剥線機とは、廃電線を覆う皮(被覆)を自動で剥ぎ取り、
電線から銅やアルミを分別・回収する為の廃線処理機械です。
剥線機を使うと人力で被覆線の皮むきを行うのに比べて
容易かつ完全に分別できるため、効率の良い中間処理が可能になります。
剥線機は被覆を切断する刃の形状(丸歯・角歯)や方式、
また処理できる線の太さや処理能力などによって
色々なバリエーションを用意しておりますので、
お客様のご要望に合った剥線機をご提案させていただきます。
藤木商事ではツキタエンジニアリング総代理店として様々な剥線機を取り扱い。
お客様の用途や剥線機の設置環境に応じてカスタマイズも致します。
剥線機に関する詳しい情報は藤木商事にお気軽にお問い合せください。

中古剥線機もあります!こちらのページをご覧ください

各種電線に合わせカスタマイズも可能
写真はカスタマイズ機【TH-5VT】

新製品

ラインナップ

RH-6600

本機は古電線や電線製造に於ける不良電線の被覆を剥離し銅や被覆を再生資源として活用する為の解体機械です。

RH-6600
仕様
形式RH-6600型(高圧)
使用電源3相 200V 50/60HZ
電動機3.7KW(5HP)ギヤード減速モーター
機械寸法巾850mm×奥行750mm×高さ1150mm
機械重量400kg
電源コード5.5㎟×4芯キャプタイヤコード4Pプラグ
解体能力 高圧6600V 22スケア~600スケア
低圧600V 22スケア~400スケア
アルミ線 8.7〜40φ
作業速度20m/分

RH-6600X

本機は高圧6600Vの太線の解体に特化した専用機です。

RH-6600X
仕様
形式RH-6600X型(高圧)
使用電源3相 200V 50/60HZ
電動機3.7KW(5HP)ギヤード減速モーター
機械寸法巾850mm×奥行750mm×高さ1150mm
機械重量400kg
電源コード5.5㎟×4芯キャプタイヤコード4Pプラグ
解体能力 高圧6600V 150スケア~2000スケア(外径108φまで)
作業速度20m/分

TH-5

保守点検が容易で、最も使い易いスタンダードな剥線機。
単線専用ロール標準装備で単線及びFケーブルも一度で剥離出来ます。

TH-5
仕様
形式TH-5型(丸刃式)
解体能力より線仕上り外径5mm 仕上り外径60mm、
単線、銅線外径10mm以下
作業速度50HZ 38M/分 60HZ 45M/分
使用電源3相 200V/220V 50/60HZ
電動機2.4KW(3.3HP)10:1ギヤード減速モーター(東芝製)
寸法巾850mm×奥行640mm×高さ1140mm
(電線押入口 高さ870mm)
重量300kg
電源コード2㎟×4芯キャプタイヤケーブル6M(4Pプラグ付)付属

TH-140K

保守点検が皆無で酷使に最も強さを発揮する強固な最新鋭の剥線機。
IV線の他にFケーブル、単線そして電力ケーブル(3芯)も仕上り外径60mmまで剥離が可能です。

TH-140K
仕様
形式TH-140型 (角溝式)
解体能力より線5.5㎟〜500㎟(銅線外径1.8Φ〜28.8Φ)
電力ケーブル径最大60Φまで
作業速度45M/分
使用電源3相 200V/220V 50/60HZ
電動機3.7KW(5HP)10:1ギヤード減速モーター(全閉外扉形)
寸法巾860mm×奥行720mm×高さ1140mm
(電線押入口 高さ845mm)
重量600kg
電源コード5.5㎟×4芯キャプタイヤケーブル8M(4Pプラグ付)付属

TH-170K

保守点検が皆無で酷使に最も強さを発揮する強固な最新鋭の剥線機。
IV線の他にFケーブル、単線そして電力ケーブル(3芯)も仕上り外径60mmまで剥離が可能です。

TH-170K
仕様
形式TH-170型 (角溝式)
解体能力より線5.5㎟〜500㎟(銅線外径1.8Φ〜28.8Φ)
電力ケーブル径最大60Φまで
作業速度45M/分
使用電源3相 200V/220V 50/60HZ
電動機5.5KW(7.5HP)10:1ギヤード減速モーター(全閉外扉形)
寸法巾860mm×奥行720mm×高さ1160mm
(電線押入口 高さ845mm)
重量600kg
電源コード5.5㎟×4芯キャプタイヤケーブル8M(4Pプラグ付)付属

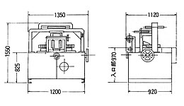
TH-5G

太物ケーブルの剥離に威力抜群。解体スピードは変速自由で適正スピードを容易に選択可能。
強固堅実な構造で保守点検が容易。
丸刃仕様。

TH-5G
仕様
形式TH-5G型 (ケーブル線、鋼帯ケーブル、通信ケーブル)
解体能力20Φ〜110Φ(仕上がり外径)単位mm
解体被覆塩ビ、ポリ、架強ポリ、鉛、鋼帯ケーブル等
作業速度8M〜30M/分(50HZ) 9.5M〜36M/分(60HZ)
使用電源3相 200V/220V 50/60HZ
駆動部電動機 3.7KW(5HP)4P、減速機 30:1(無段変速機付)
寸法巾1350mm×奥行1120mm×高さ1550mm
(電線押入口 高さ970mm)
重量1500kg
電源コード5.5㎟×4芯キャプタイヤケーブル6M(4Pプラグ付)付属

TH-7G

太物ケーブルの剥離に威力抜群。解体スピードは変幻自由で適正スピードを容易に選択可能。
強固堅実な構造で保守点検が容易。
角刃仕様。

TH-7G
仕様
形式H-7G型(ケーブル線、鋼帯ケーブル、通信ケーブル)
解体能力40Φ〜150Φ(仕上がり外径)単位mm
解体被覆塩ビ、ポリ、架強ポリ、鉛、鋼帯ケーブル等
作業速度8M〜30M/分(50HZ) 9.5M〜36M/分(60HZ)
使用電源3相 200V/220V 50/60HZ
駆動部電動機 5.2KW(7HP)4P、無段変速(1:6)
寸法巾1530mm×奥行1050mm×高さ1550mm
(電線押入口 高さ920mm)
重量1800kg
電源コード5.5㎟×4芯キャプタイヤケーブル6M(4Pプラグ付)付属
※剥線機の処理能力は皮むき処理をする線の太さ等の条件により異なります。
※剥線機はヨリ線や多芯など皮むき処理をする電線の特徴によって適した機種とそうでない機種があります。
 皮むきをする線の種類の割合や量などをお聞かせいただけましたら藤木商事が最適な機種をご提案させていただきます。
動画紹介

スクラップ処理機械を動画でご紹介。

動画紹介ページへ

中古機械販売のご案内

中古のスクラップ処理機械を各種取り扱い。
中古機械のカスタマイズも承ります。

査定・下取りの出張料無料

委託販売も可能

中古機械販売のご案内はこちら

お問合わせ

ご質問等お気軽にお問い合わせください。

TEL/FAX 06-6328-7654

メールでのお問い合わせはこちら